Дом
Горячий продукт
Радиальный шарикоподшипник
Вставить подшипник
Подшипник ступицы колеса
Центр продуктов
Вставить подшипник
Тонкостенные подшипники
Керамический подшипник
Радиальный шарикоподшипник
Роликовый подшипник
Подшипник из нержавеющей стали
Сферический подшипник скольжения
Подшипник ступицы колеса
О QZL
Управление качеством
Знание отрасли
Отраслевое решение
Связаться с нами
EN
Дом
>
QZL Bearings
>
Роликовый подшипник
>
Конический роликовый подшипник
> Однорядный размер в дюймах
Номер детали:
d :
D :
B :
Однорядный размер в дюймах
Объект
Рисунок
PDF
Контакты: :
Номер телефона : :
Электронная почта :
Примечание: :
Проверка:
выбирать
Расследование
Номер подшипника.
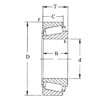
Граничные размеры (мм)
Базовая грузоподъемность (кН)
д:
Б:
R
Д:
С
r
Т
Динамический(Cr)
Статический (Кор)
1380
22.225
20.168
1.5
1380/28
22.225
20.168
1.5
52.388
14.288
1.5
19.368
40.5
43
14117A/276
30
19.583
1.3
69.012
15.875
3.5
19.845
48.5
58
14125A
31.75
19.583
1.3
14137A
34.925
19.583
1.3
14137A/276
34.925
19.583
1.3
69.012
15.875
1.5
19.845
48.5
58
14276
69.012
15.875
1.3
15100
25.4
20.638
1.3
15100/245
25.4
20.638
1.3
62
14.288
3.5
19.05
46.5
54
15101
25.4
20.638
2
15101/243
25.4
20.638
2
61.912
14.288
0.8
19.05
46.5
54
15103
26.157
20.638
1.3
15103/245
26.157
20.638
1.3
62
14.288
0.8
19.05
46.5
54
15106
26.988
20.638
1.3
15106/245
26.988
20.638
1.3
62
14.288
0.8
19.05
46.5
54
15123
31.75
19.05
1.3
15123/245
31.75
19.05
1.3
62
14.288
18.161
46.5
54
15125
31.75
20.638
1.3
15125/245
31.75
20.638
1.3
62
14.288
3.5
19.05
46.5
54
15126
31.75
20.638
1.3
15126/245
31.75
20.638
1.3
62
14.288
0.8
19.05
46.5
54
15243
61.912
14.288
0.8
15245
62
14.288
0.8
1780
25.4
19.837
1.3
18520
73.025
12.7
3.5
18590
41.275
17.462
1.5
18590/20
41.275
17.462
1.5
73.025
12.7
3.5
16.667
46
55.5
18620
79.375
13.495
2.8
18690
46.038
17.462
1.5
18720
85
13.495
3.5
Предыдущий:
1
2
Далее:
86 18769581758
admin@qzlbearings.com