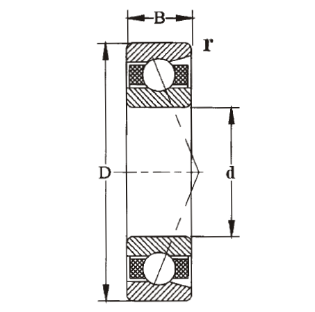
Номер детали:
d :
D :
B :

7300C Series

7300C Series
  • 7300C Series

Angular contact ball bearings have a contact angle; they are designed to sustain significant combined axial and radial load simultaneously. ITS axial load carrying capacity increases with respect to the bearing's contact angle. The contact angle (∝) is defined as the angle between the line contacting the raceway and ball.

Matched angular contact ball bearings such as Back-to-back (DB), Face-to-face (DF) arrangements are also available for usage in applications where radial and axial loads in both directions can be sustained. Regarding the tandem arrangement (DT), please contact ITS Technical Support.


выбиратьРасследованиеНомер подшипника.Граничные размеры (мм) Базовая грузоподъемность (кН)Предельная скорость (об/мин)Масса
д:Д:Б:Динамический(Cr)Статический (Кор)СмазкаМаслоКг
7300C 10 35 11 9.8 4.6 18000 26000 0.053
7301C 12 37 12 11.8 5.6 17000 24000 0.06
7302C 15 42 13 13.2 6.7 15000 21000 0.084
7303C 17 47 14 15.7 8.2 13000 19000 0.16
7304C 20 52 15 18.4 9.8 12000 17000 0.15
7305C 25 62 17 27.8 15.9 9500 14000 0.23
7306C 30 72 19 33.2 21.2 8500 12000 0.35
7307C 35 80 21 40.3 25.8 7500 10000 0.47
7308C 40 90 23 49.3 32.3 6700 9000 0.66
7309C 45 100 25 63.1 42.9 6000 8000 0.86
7310C 50 110 27 74.9 50.9 5600 7500 1.08
7311C 55 120 29 86.4 59.5 5000 6700 1.42
7312C 60 130 31 98.6 68.5 4800 6300 1.71
7313C 65 140 33 113.1 79.6 4300 5600 2.23
7314C 70 150 35 126 91.6 4000 5300 2.67
7315C 75 160 37 140.7 103.9 3800 5000 3.1
7316C 80 170 39 156.1 112.2 3600 4800 3.6
7317C 85 180 41 160.7 130.5 3400 4500 4.38
7318C 90 190 43 184.9 159.9 3200 4300 5.6
7319C 95 200 45 201.1 179.8 3200 4200 6.6
7320C 100 215 47 222.1 206.7 3000 4000 7.58
7321C 105 225 49 235.8 225.6 2800 3800 8.85
7322C 110 240 50 263.2 261.9 2600 3600 10.5