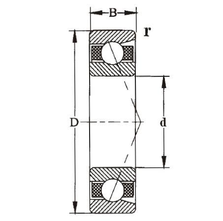
Номер детали:
d :
D :
B :

7300B Series

7300B Series
  • 7300B Series

Angular contact ball bearings have a contact angle; they are designed to sustain significant combined axial and radial load simultaneously. ITS axial load carrying capacity increases with respect to the bearing's contact angle. The contact angle (∝) is defined as the angle between the line contacting the raceway and ball.

Matched angular contact ball bearings such as Back-to-back (DB), Face-to-face (DF) arrangements are also available for usage in applications where radial and axial loads in both directions can be sustained. Regarding the tandem arrangement (DT), please contact ITS Technical Support.


выбиратьРасследованиеНомер подшипника.Граничные размеры (мм) Базовая грузоподъемность (кН)Предельная скорость (об/мин)Масса
д:Д:Б:Динамический(Cr)Статический (Кор)СмазкаМаслоКг
7301B 12 37 12 10.5 4.9 16000 22000 0.06
7302B 15 42 13 12.4 6.5 14000 19000 0.08
7303B 17 47 14 14.1 8.1 13000 17000 0.16
7304B 20 52 15 17.3 9.6 11000 15000 0.14
7305B 25 62 17 24.3 14.1 9000 13000 0.23
7306B 30 72 19 29.3 18.1 8000 11000 0.34
7307B 35 80 21 38.3 24.4 7000 9500 0.45
7308B 40 90 23 46.5 29.5 6300 8500 0.63
7309B 45 100 25 59.6 39.6 5600 7500 0.85
7310B 50 110 27 68.1 48 5000 6700 1.1
7311B 55 120 29 82.2 56.2 4500 6300 1.4
7312B 60 130 31 91.5 65.4 4300 5600 1.75
7313B 65 140 33 102.3 75.3 3800 5300 2.15
7314B 70 150 35 114.6 85.9 3600 5000 2.65
7315B 75 160 37 127.7 95.4 3400 4800 3.2
7316B 80 170 39 141.4 107.9 3200 4800 3.8
7317B 85 180 41 155.8 120.9 3000 4000 4.45
7318B 90 190 43 157.9 136.9 3000 4000 5.3
7319B 95 200 45 172 154.1 2800 4000 6.4
7320B 100 215 47 190 177.3 2600 3800 7.29
7321B 105 225 49 201.7 193.3 2400 3600 8.55
7322B 110 240 50 225.8 225.3 2200 3400 9.84