Номер детали:
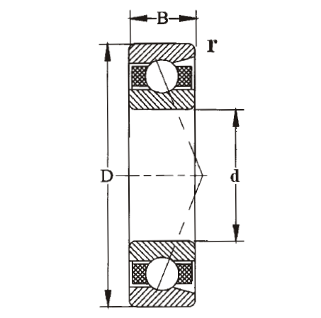
d :
D :
B :

7300AC Series

7300AC Series
  • 7300AC Series

Angular contact ball bearings have a contact angle; they are designed to sustain significant combined axial and radial load simultaneously. ITS axial load carrying capacity increases with respect to the bearing's contact angle. The contact angle (∝) is defined as the angle between the line contacting the raceway and ball.

Matched angular contact ball bearings such as Back-to-back (DB), Face-to-face (DF) arrangements are also available for usage in applications where radial and axial loads in both directions can be sustained. Regarding the tandem arrangement (DT), please contact ITS Technical Support.


выбиратьРасследованиеНомер подшипника.Граничные размеры (мм) Базовая грузоподъемность (кН)Предельная скорость (об/мин)Масса
д:Д:Б:Динамический(Cr)Статический (Кор)СмазкаМаслоКг
7300AC 10 35 11 9.5 4.4 18000 26000 0.053
7301AC 12 37 12 11.5 5.4 17000 24000 0.06
7302AC 15 42 13 12.5 6.2 15000 21000 0.084
7303AC 17 47 14 15 7.7 13000 19000 0.16
7304AC 20 52 15 17.9 9.6 12000 17000 0.15
7305AC 25 62 17 27 15.6 9500 14000 0.23
7306AC 30 72 19 32.8 20.4 8500 12000 0.35
7307AC 35 80 21 38.2 24.9 7500 10000 0.47
7308AC 40 90 23 47 31.1 6700 9000 0.66
7309AC 45 100 25 61.6 41.2 6000 8000 0.86
7310AC 50 110 27 71.9 48.5 5600 7500 1.08
7311AC 55 120 29 83.4 58 5000 6700 1.42
7312AC 60 130 31 95.2 67.2 4800 6300 1.71
7313AC 65 140 33 38 33.6 4300 5600 2.23
7314AC 70 150 35 118.8 88.2 4000 5300 2.67
7315AC 75 160 37 134.4 99.8 3800 5000 3.1
7316AC 80 170 39 149.5 107.7 3600 4800 3.6
7317AC 85 180 41 154.3 122.3 3400 4500 4.38
7318AC 90 190 43 177.6 153.5 3200 4300 5.6
7319AC 95 200 45 193.3 172.6 3200 4200 6.6
7320AC 100 215 47 213.5 198.6 3000 4000 7.58
7321AC 105 225 49 226.7 216.6 2800 3800 8.85
7322AC 110 240 50 253.2 252.4 2600 3600 10.5