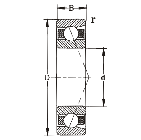
Номер детали:
d :
D :
B :

Серия 7200C

Серия 7200C
  • Серия 7200C

Angular contact ball bearings have a contact angle; they are designed to sustain significant combined axial and radial load simultaneously. ITS axial load carrying capacity increases with respect to the bearing's contact angle. The contact angle (∝) is defined as the angle between the line contacting the raceway and ball.

Matched angular contact ball bearings such as Back-to-back (DB), Face-to-face (DF) arrangements are also available for usage in applications where radial and axial loads in both directions can be sustained. Regarding the tandem arrangement (DT), please contact ITS Technical Support.


выбиратьРасследованиеНомер подшипника.Граничные размеры (мм) Базовая грузоподъемность (кН)Предельная скорость (об/мин)Масса
д:Д:Б:Динамический(Cr)Статический (Кор)СмазкаМаслоКг
7200C 10 30 9 5.5 2.8 22000 28000 0.032
7201C 12 32 10 7.9 3.8 20000 25000 0.037
7202C 15 35 11 9.2 4.9 17000 22000 0.045
7203C 17 40 12 10.8 5.8 15000 20000 0.062
7204C 20 47 14 14.5 8.1 13000 18000 0.1
7205C 25 52 15 16.5 10 11000 16000 0.12
7206C 30 62 16 23 14.7 9000 13000 0.19
7207C 35 72 17 30.3 20 8000 11000 0.28
7208C 40 80 18 38.4 26.3 7500 10000 0.37
7209C 45 85 19 40.4 29.3 6700 9000 0.41
7210C 50 90 20 42.8 31.3 6300 8500 0.46
7211C 55 100 21 53.2 39.9 5600 7000 0.61
7212C 60 110 22 61 48.2 5300 7000 0.8
7213C 65 120 23 69.8 54.4 4800 6300 1
7214C 70 125 24 72.8 59.7 4500 5800 1.1
7215C 75 130 25 79.2 65.6 4300 5600 1.2
7216C 80 140 26 92.5 66.2 4000 5300 1.45
7217C 85 150 28 99.7 84.6 3800 5000 1.8
7218C 90 160 30 128 111.7 3600 4800 2.25
7219C 95 170 32 134.6 112.2 3400 4500 2.7
7220C 100 180 34 149.1 125.4 3200 4300 3.25
7221C 105 190 36 166.6 138.6 3000 4000 3.85
7222C 110 200 38 184.7 154.8 2800 3800 4.55
7224C 120 215 40 203.1 178.4 2400 3400 5.4
7226C 130 230 40 206.6 209.2 2000 3000 6.45