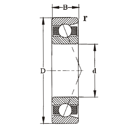
Номер детали:
d :
D :
B :

7200AC Series

7200AC Series
  • 7200AC Series

Angular contact ball bearings have a contact angle; they are designed to sustain significant combined axial and radial load simultaneously. ITS axial load carrying capacity increases with respect to the bearing's contact angle. The contact angle (∝) is defined as the angle between the line contacting the raceway and ball.

Matched angular contact ball bearings such as Back-to-back (DB), Face-to-face (DF) arrangements are also available for usage in applications where radial and axial loads in both directions can be sustained. Regarding the tandem arrangement (DT), please contact ITS Technical Support.


выбиратьРасследованиеНомер подшипника.Граничные размеры (мм) Базовая грузоподъемность (кН)Предельная скорость (об/мин)Масса
д:Д:Б:Динамический(Cr)Статический (Кор)СмазкаМаслоКг
7200AC 10 30 9 5.5 2.8 22000 28000 0.032
7201AC 12 32 10 7.6 3.6 20000 25000 0.037
7202AC 15 35 11 8.9 4.8 17000 22000 0.045
7203AC 17 40 12 10.4 5.6 15000 20000 0.062
7204AC 20 47 14 14 7.8 13000 18000 0.1
7205AC 25 52 15 15.8 9.7 11000 16000 0.12
7206AC 30 62 16 22.1 13.5 9000 13000 0.19
7207AC 35 72 17 29.2 18 8000 11000 0.28
7208AC 40 80 18 36.8 25.4 7500 10000 0.37
7209AC 45 85 19 38.6 28.1 6700 9000 0.41
7210AC 50 90 20 40.8 30.1 6300 8500 0.46
7211AC 55 100 21 50.8 38.2 5600 7000 0.61
7212AC 60 110 22 58.1 46 5300 7000 0.8
7213AC 65 120 23 66.6 52.1 4800 6300 1
7214AC 70 125 24 69.4 57 4500 5800 1.1
7215AC 75 130 25 75.3 62.8 4300 5600 1.2
7216AC 80 140 26 91.3 65.1 4000 5300 1.45
7217AC 85 150 28 94.9 80.8 3800 5000 1.8
7218AC 90 160 30 122 106.5 3600 4800 2.25
7219AC 95 170 32 128.4 107.8 3400 4500 2.7
7220AC 100 180 34 142.3 120.6 3200 4300 3.25
7221AC 105 190 36 159 135.1 3000 4000 3.85
7222AC 110 200 38 176.3 151.2 2800 3800 4.55
7224AC 120 215 40 193.6 170.9 2400 3400 5.4
7226AC 130 230 40 196.4 200.1 2000 3000 6.45