Номер детали:
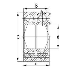
d :
D :
B :

5200 Series

5200 Series
  • 5200 Series

Angular contact ball bearings have a contact angle; they are designed to sustain significant combined axial and radial load simultaneously. ITS axial load carrying capacity increases with respect to the bearing's contact angle. The contact angle (∝) is defined as the angle between the line contacting the raceway and ball.

Matched angular contact ball bearings such as Back-to-back (DB), Face-to-face (DF) arrangements are also available for usage in applications where radial and axial loads in both directions can be sustained. Regarding the tandem arrangement (DT), please contact ITS Technical Support.


выбиратьРасследованиеНомер подшипника.Граничные размеры (мм) Базовая грузоподъемность (кН)Предельная скорость (об/мин)Масса
д:Д:Б:рупий минДинамический(Cr)Статический (Кор)СмазкаМаслоКг
5200 10 30 14.3 0.6 6.95 3.8 14000 19000 0.049
5201 12 32 15.9 0.6 9.15 5.05 13000 17000 0.057
5202 15 35 15.9 0.6 10 6.05 11000 15000 0.064
5203 17 40 17.5 0.6 12.8 7.9 9900 13000 0.096
5204 20 47 20.6 1 19 12.1 8800 12000 0.153
5205 25 52 20.6 1 20.6 14.3 7300 9800 0.175
5206 30 62 23.8 1 28.5 20.4 6300 8400 0.286
5207 35 72 27 1.1 38 27.8 5500 7400 0.436
5208 40 80 30.2 1.1 42.5 32.5 4900 6600 0.59
5209 45 85 30.2 1.1 48 37 4400 5900 0.64
5210 50 90 30.2 1.5 51 42 4000 5300 0.689
5211 55 100 33.3 1.5 63 53 3600 4900 0.986
5212 60 110 36.5 1.5 71.5 58.5 3400 4500 1.27
5213 65 120 38.1 1.5 83.5 72.5 3100 4200 1.57
5214 70 125 39.7 1.5 90.5 79.5 2900 3900 1.8
5215 75 130 41.3 1.5 90 80.5 2700 3600 1.9
5216 80 140 44.4 2 106 95.5 2500 3400 2.39
5217 85 150 49.2 2 112 106 2400 3200 3.06
5218 90 160 52.4 2 140 129 2200 3000 3.73