
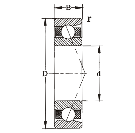
角接触球轴承具有接触角;其设计用于同时承受较大的轴向和径向联合载荷。ITS 的轴向承载能力随轴承接触角的增大而增大。接触角 (∝) 定义为滚道与滚珠接触线之间的夹角。
配对角接触球轴承,例如背对背 (DB) 和面对面 (DF) 配置,也适用于能够承受双向径向和轴向载荷的应用。关于串联配置 (DT),请联系 ITS 技术支持。
| 选择 | 询价 | 型号 | 尺寸(mm) | 基本额定载荷(kN) | 限制速度(rpm ) | 重量 | ||||
|---|---|---|---|---|---|---|---|---|---|---|
| д: | Д: | Б: | 额定动载荷(Cr) | 额定静载荷(Cor) | 油脂 | 油 | (Кг) | |||
| 7406B | 30 | 90 | 23 | 51.4 | 30.1 | 6000 | 8000 | 0.9 | ||
| 7407B | 35 | 100 | 25 | 60.2 | 37.9 | 5000 | 7500 | 1.1 | ||
| 7408B | 40 | 110 | 27 | 70.1 | 49.1 | 5000 | 6500 | 1.35 | ||
| 7409B | 45 | 120 | 29 | 80.7 | 44.1 | 4500 | 6000 | 1.75 | ||
| 7410B | 50 | 130 | 31 | 105.3 | 71.2 | 4000 | 5500 | 2.1 | ||
| 7411B | 55 | 140 | 33 | 110 | 76.3 | 3800 | 5200 | 2.55 | ||
| 7412B | 60 | 150 | 35 | 119.3 | 86.1 | 3500 | 4700 | 3.2 | ||
| 7413B | 65 | 160 | 37 | 128.7 | 96.4 | 3200 | 4500 | 4 | ||
| 7414B | 70 | 180 | 42 | 138.7 | 109.6 | 3000 | 4200 | 5.55 | ||
| 7415B | 75 | 190 | 45 | 148.4 | 120.4 | 2800 | 4000 | 6.8 | ||
| 7416B | 80 | 200 | 48 | 158.4 | 132.4 | 2600 | 3700 | 8.18 | ||
| 7417B | 85 | 210 | 52 | 168.6 | 145 | 2400 | 3400 | 9.3 | ||
| 7418B | 90 | 225 | 54 | 179.1 | 159.2 | 2300 | 3200 | 10.8 | ||