
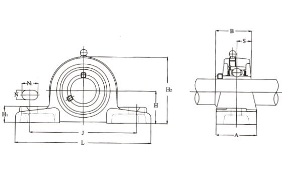
1. В зависимости от формы гнезда подшипника: 1.1 Внешний сферический подшипник с посадкой, также называемый подшипниковым узлом (на языке SKF). Когда подшипник отсутствует, его называют внешним сферическим гнездом подшипника. 1.1.1.1 Внешнее сферическое гнездо подшипника разделено на 200 серий в зависимости от серии подшипника. 500 серия. 300 серия. 600 серия. Серия ХОО. 1.2 Внешнее сферическое седло подшипника разделено на вертикальное седло (седло P), квадратное седло (седло F), ромбовидное седло (седло FL), круглое седло (седло C), выпуклое круглое седло (седло FC), квадратное седло с выпуклым столом (седло FS), седло с темным отверстием (седло PA), подвесное седло (седло FA). 1.3 Цельный (т.е. неразборный) узел вертикального седла подшипника с привинченной крышкой корпуса подшипника. Эти комплекты вертикальных подшипниковых блоков изначально были разработаны в качестве букс для легкорельсовых грузовиков,но их также можно использовать в традиционных комплектах вертикальных подшипниковых блоков. Неразборные узлы вертикальных седел подшипников имеют более высокую жесткость, чем отдельные седла подшипников, а некоторые из них могут выдерживать более высокие нагрузки. Внешнее седло сферического подшипника также является цельным седлом. 2 разъемных корпуса 2.1 Разъемные корпуса подшипников делятся на серии SN2, 5, 3 и 6 в соответствии с различными требованиями к подшипникам и валу. SNL2, SNL5, SD имеют 2, 5, 3, 6, 3100, 3000, 3200. Седло подшипника разделено на: разъемное седло подшипника, седло подшипника скольжения, седло подшипника качения, седло подшипника с фланцем, внешнее сферическое седло подшипника и так далее.1 Разъемные корпуса подшипников делятся на серии SN2, 5, 3 и 6 в соответствии с различными требованиями к подшипникам и валу. SNL2, SNL5, SD имеют 2, 5, 3, 6, 3100, 3000, 3200. Седло подшипника разделено на: разъемное седло подшипника, седло подшипника скольжения, седло подшипника качения, седло подшипника с фланцем, внешнее сферическое седло подшипника и так далее.1 Разъемные корпуса подшипников делятся на серии SN2, 5, 3 и 6 в соответствии с различными требованиями к подшипникам и валу. SNL2, SNL5, SD имеют 2, 5, 3, 6, 3100, 3000, 3200. Седло подшипника разделено на: разъемное седло подшипника, седло подшипника скольжения, седло подшипника качения, седло подшипника с фланцем, внешнее сферическое седло подшипника и так далее.