
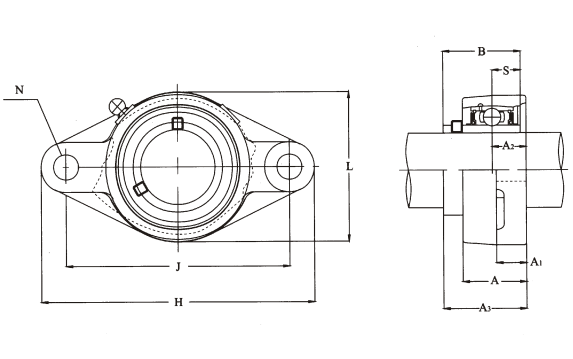
Подшипниковый блок состоит из вставного подшипника, уплотнения и корпуса. Внутренняя структура вставного шарикоподшипника такая же, как и у радиального шарикоподшипника. Но внутреннее кольцо этого подшипника шире внешнего. Внешняя обойма имеет сферическую поверхность. Вставные шарикоподшипники могут самовыравниваться при посадке между внешним кольцом и блоком подшипников. Вставные шарикоподшипники компактны. Легко загружать и разгружать. Опорные подшипники широко используются в горнодобывающей, машиностроительной, автомобильной, текстильной и химической промышленности.
Мы можем поставить подшипниковые опоры серии UCP, NAP, UKP, SBPP, SAPP,NAF, NAFU,UCF, UCFL, NAFL, NAFL, UCFC, NAFC, SBPF, UCT, NAT, UCC, UCFB, UCFA, UCPH, UCFX.